凯润环保平流池泵虹吸式刮泥机 质量可靠 值得购买HXXN-15
详细信息
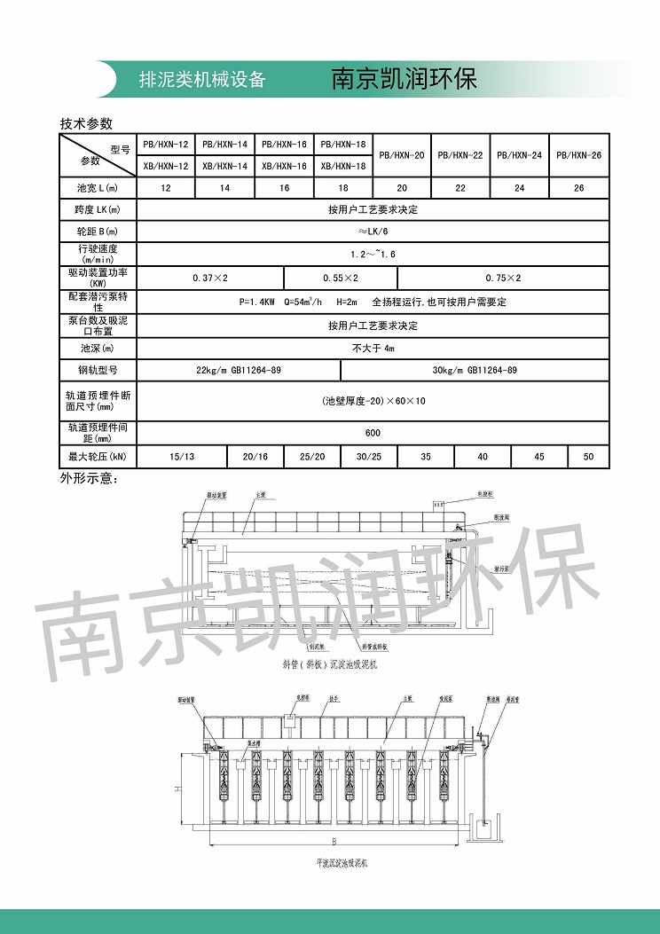
P XB/HXN平流池泵/虹吸式吸泥机
常见用途:产品特点
本设备用于给水净化厂沉淀池,排除沉积在池底的污泥。根据沉淀池池型,可分为两类:
1. 平流沉淀池吸泥机 2. 斜管沉淀池吸泥机
虹吸式吸泥机外形示意:
虹吸式吸泥机构造及工作过程:
由多台潜水无堵塞泵组成吸、输泥系统、断流阀、主梁、端梁及驱动装置、轨道和控制柜等组成。主梁由两端梁上的驱动装置带动,沿铺设在池顶上的轨道行驶,随主梁一同运动的潜污泵将沉积在池底的污泥吸取并经输泥管排至池外排泥沟。当具有虹吸条件的沉淀池(沉淀池出水堰与排泥口位差不小于3米)在潜污泵启动排泥后切断电源,排泥方式即可由泵吸切换为虹吸;当要求停止排泥时,可打开断流阀,大量空气进入输泥管道,虹吸破坏,排泥即行中断。
工作过程:
XB/HXN行车式吸泥机一般由多台潜污泵组成吸输泥系统、断流阀、主梁、端梁及驱动装置、控制柜、轨道等组成。
主梁由两端梁上的驱动装置带动,沿铺设在池顶上的轨道行驶,随主梁一同运动的潜污泵将沉积在池底的污泥吸取并经输泥管排至池外排泥沟。当具有虹吸条件的沉淀池(沉淀池出水堰与排泥口位差不小于3米)在潜污泵启动排泥后切断电源,排泥方式可由泵吸切换为虹吸;当要求停止排泥时,可打开断流阀,大量空气进入输泥管道,虹吸破坏,排泥即行中断。
虹吸式吸泥机特点:
B/HXN型系列吸泥机是在总结我国多年来设计、运行经验的基础上选用改革开放以来国产更新换代元、器件设计的新一代吸泥机,具有以下特点:
1、潜水无堵塞泵吸泥,可全扬程运行,性能好,重量轻,克服了过去使用液下泵因轴长易引起振动而产生的磨损及安装、维修困难的缺陷;
2、采用特有的小容量潜污泵,可实现每台泵只带一个吸泥咀的吸泥系统,从而即使在沉淀池出水端具有纵向出水槽及其支墩的给水工艺布置,吸泥机仍然通行无阻,了全长范围内的排泥效果;
3、泵/虹吸两用省水节能:在具有虹吸排泥条件的沉淀池,可充分利用出水堰和排泥口的位差,在潜污泵启动出泥后切断潜污泵电源,由泵吸转换为虹吸,既省水节能又省去了系统抽空装置;
4、由于不用抽真空装置,操作简便并易于实现自动化和微机管理;
5、主梁结构合理,对于大跨度平流沉淀池吸泥机采用桁架式;型组合梁;中、小跨度的斜管池吸泥机采用单或双管式梁、型钢梁;特别是斜管沉淀池水中吸输泥管既为通道又作承载构件,因而用料省且制造维护方便。
6、可选新型的传动装置,驱动装置中关键部件—采用新产品轴装式或法兰安装式减速器,不用联轴器,无需对中、结构紧凑、效率高、重量轻。


公司生产:潜水搅拌机、潜水推流器、回流泵、潜水曝气机等潜水类设备系列;桨式搅拌机、框式搅拌机、双曲面搅拌机、格栅、输送机、压榨机、砂水分离器、除砂机、刮泥机、吸泥机、滗水器、气浮、压滤机、闸门等非标环保设备系列;产品广泛应用于市政供排、水利、矿山、化工、食品、建筑、电力、电子、纺织、造纸等各个领域。