凯润环保无轴螺旋输送压实一体机结构长距离输送设备型号齐全WLSY-260
详细信息
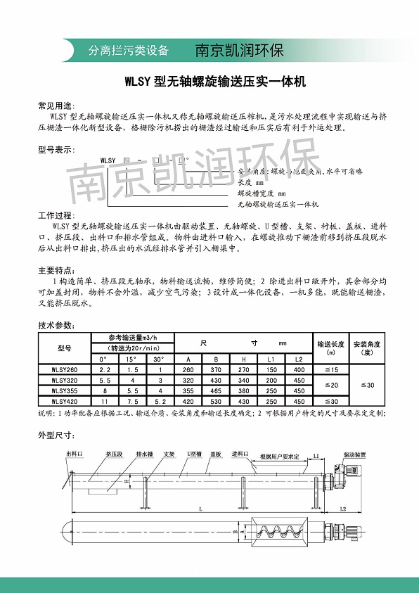
WLSY型无轴螺旋输送压实一体机
用途: WLSY型无轴螺旋输送压实一体机又称无轴螺旋输送压榨机,是污水处理流程中实现输送与挤压栅渣一体化新型设备,格栅除污机捞出的栅渣经过输送和压实后有利于外运处理。
型号表示方式:

构造及输送过程:WLSY型无轴螺旋输送压实一体机由驱动装置、无轴螺旋、U型槽、支架、衬板、盖板、进料口、挤压段、出料口和排水管组成。物料由进料口输入,在螺旋推动下栅渣前移到挤压段脱水后从出料口排出,挤压出的水流经排水管并引入栅渠中。
特点:
1构造简单、挤压段无轴承,物料输送流畅,维修简便;
2 除进出料口敞开外,其余部分均可加盖封闭,物料不会外溢,减少空气污染;
3设计成一体化设备,一机多能,既能输送栅渣,又能挤压脱水。
公司生产:潜水搅拌机、潜水推流器、回流泵、潜水曝气机等潜水类设备系列;桨式搅拌机、框式搅拌机、双曲面搅拌机、格栅、输送机、压榨机、砂水分离器、除砂机、刮泥机、吸泥机、滗水器、气浮、压滤机、闸门等非标环保设备系列;产品广泛应用于供排、水利、矿山、化工、食品、建筑、电力、电子、纺织、造纸等各个领域。